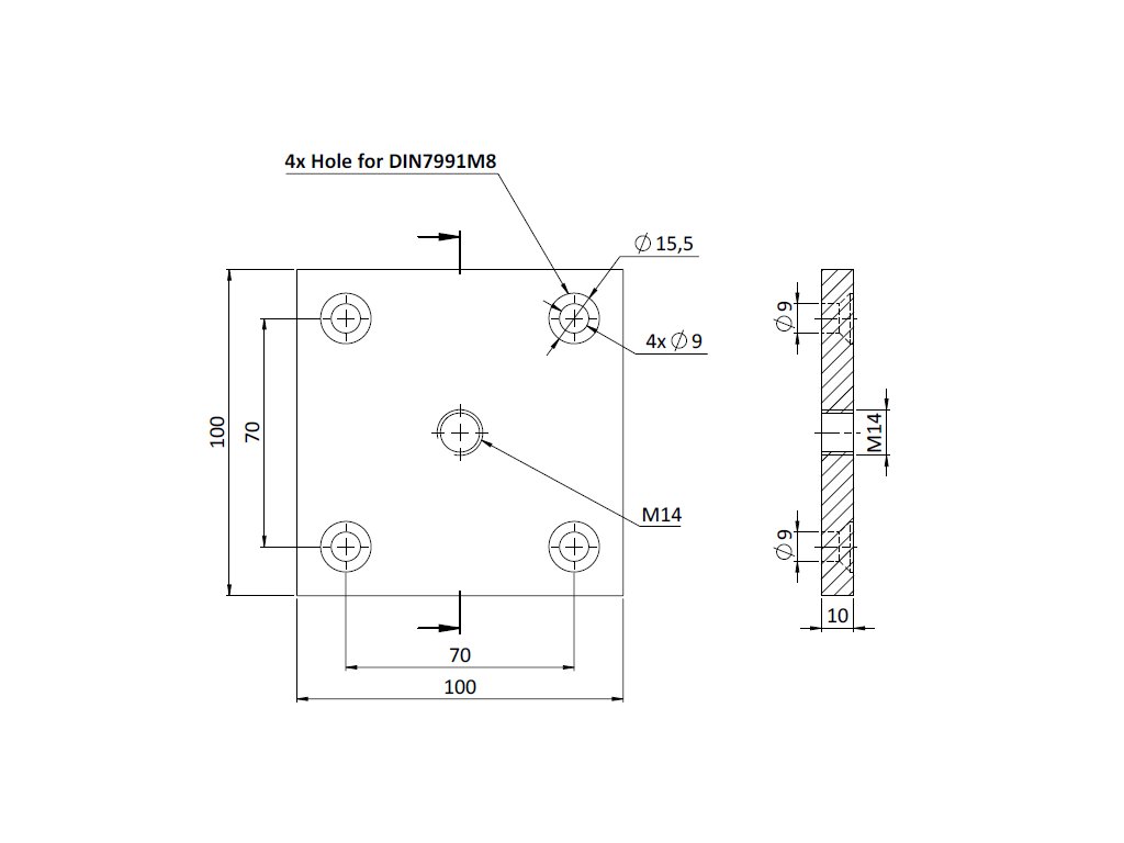
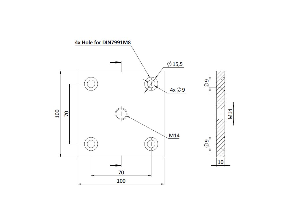
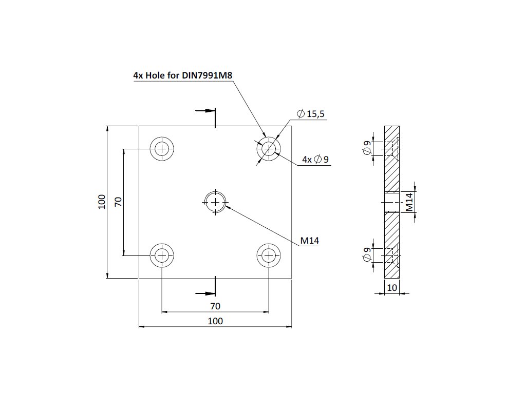
Kotviaca platňa pre EB1-ZKP02, rozmery: 100x100x10mm, s 4x15,5mm otvormi + 1xM14 závit
Dodatočné parametre
| Kategória: | Závesy priskrutkovacie |
|---|---|
| Hmotnosť: | 0.258 kg |
| Kusov v balení: | 0 Ks |
Buďte prvý, kto napíše príspevok k tejto položke.
Pridať komentár
