Kovdrill vrták pre termálne vŕtanie na nerez M10 x 1,5 mm
kovdrill vrták pre termálne vŕtanie na konštrukčnú oceľ
Princíp technológie vychádza z platformy na báze tvárnenia za tepla. Rotujúci nástroj (tvárniaci vrták) generuje frikčné teplo, ktoré vzniká trením medzi nástrojom a obrobkom pôsobením axiálnej sily. Následkom vytvoreného tepla (600 - 800 °C) nastáva zmäknutie obrábaného miesta a simultálny prechod nástroja obrobkom, čím vzniká konečný tvar puzdra v materiáli. Nákružok: vzniká ako nevyhnutná časť procesu vzhľadom na tečenie materiálu. V závislosti od použitého druhu nástroja môže byť tvarovaný do „golierika" alebo odrezaný zarovno s polotovarom.
Dodatočné parametre
| Kategória: | Vŕtanie, kovdrill |
|---|---|
| Hmotnosť: | 0.04 kg |
| Kusov v balení: | 0 Ks |
| Typ: | termálny vrták |
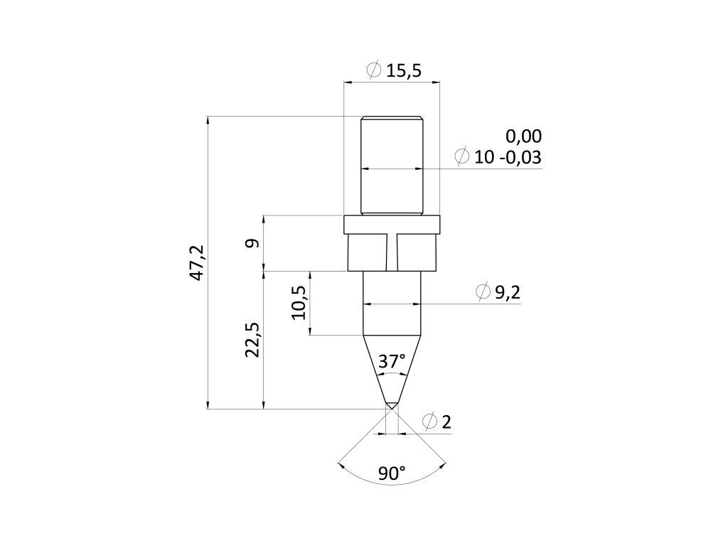
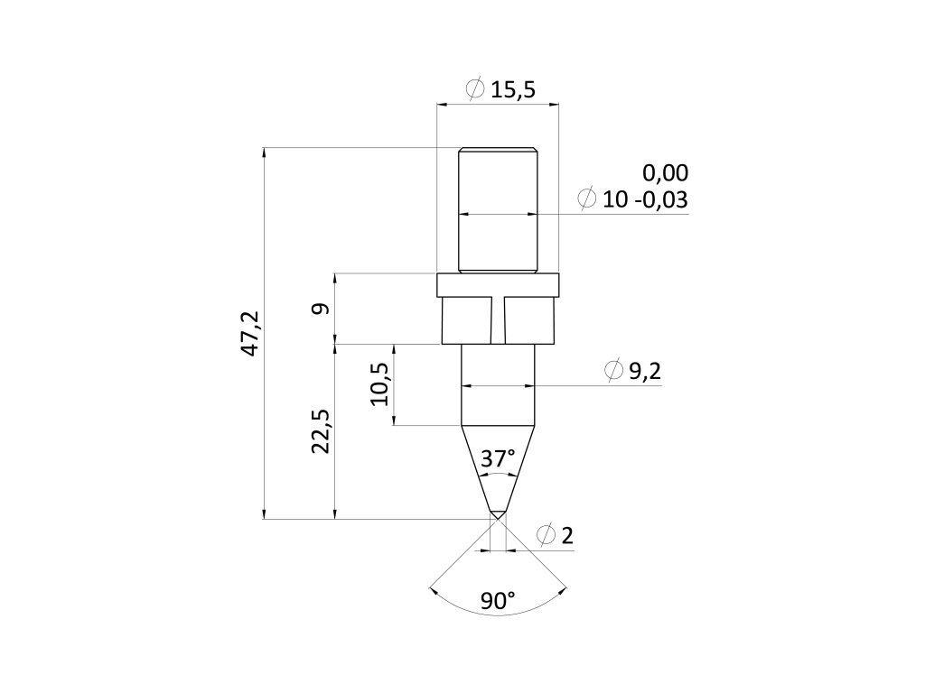
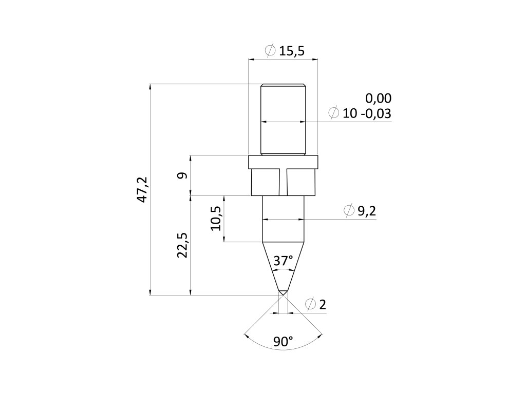
| Závit: | M10 |
| Priemer ø: | 9.2 |
| Špecifikácia: | vŕtanie pri 1300-2000 otáčkach |
| Použitie: | nerez |
Buďte prvý, kto napíše príspevok k tejto položke.
Pridať komentár
