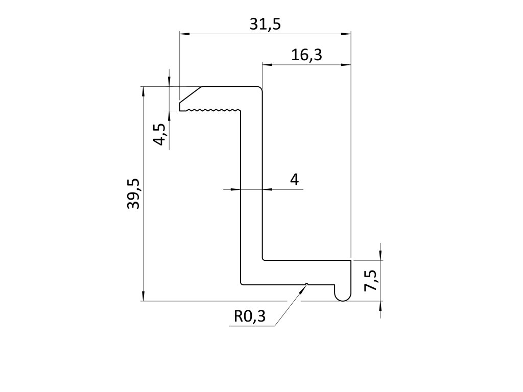
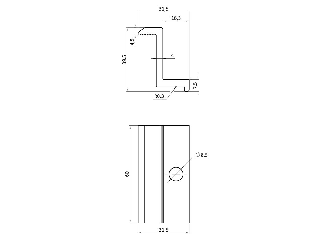
Koncová svorka na upevnenie solárnych panelov, H = 35 mm
Hliníková koncová svorka pre pripevnenie mono a polykryštalických fotovoltaických (solárnych) panelov na šikmé a ploché strechy ako aj samostatne stojace systémy.
Vyrobené z hliníkovej zliatiny 6063,T6.
Montážny otvor M8.

Pri montáži solárnych profilov odporúčame použiť koncové svorky AL-SSP30 a AL-SSP35. Na uchytenie svoriek do profilu AL-SP40 su vhodné nerezové imbusové skrutky E1-9M8x20 a E1-9M8x25 v kombinácii s nerezovou maticou E1-DIN557M8.
Dodatočné parametre
| Kategória: | Spojovacie prvky |
|---|---|
| Hmotnosť: | 0.028 kg |
| Kusov v balení: | 0 Ks |
Buďte prvý, kto napíše príspevok k tejto položke.
Pridať komentár
