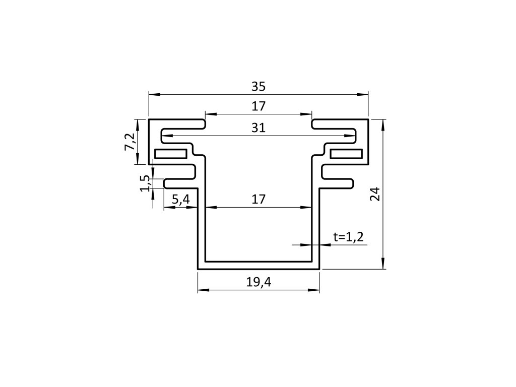
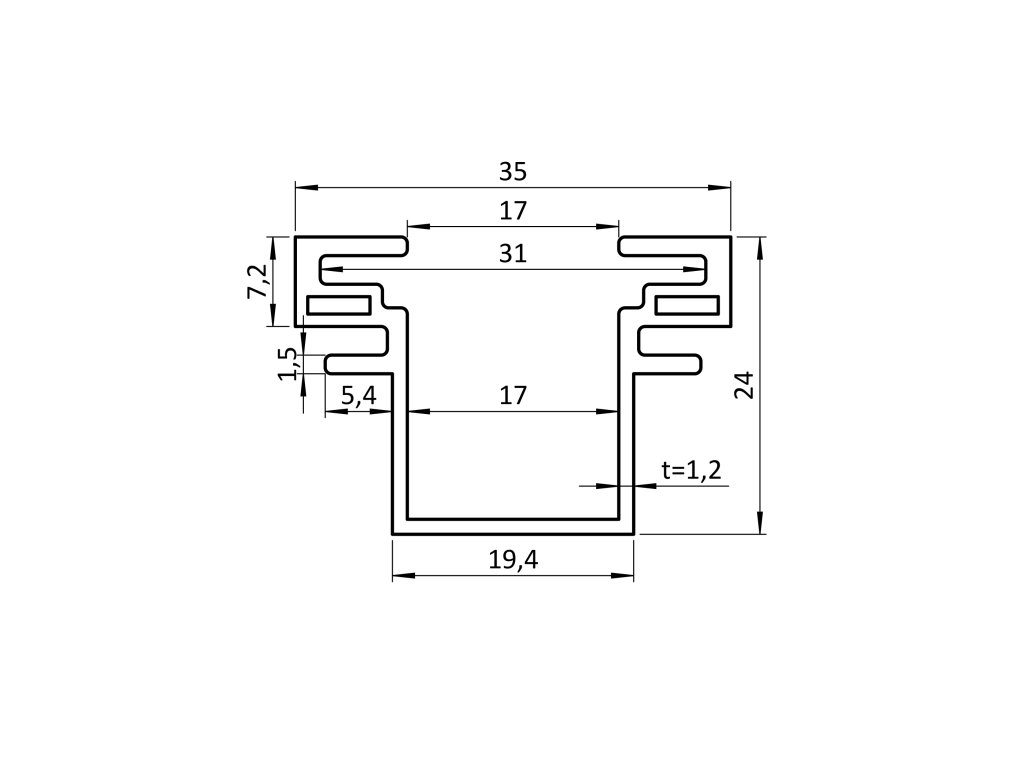
Redukcia pre profily W-16 mm, štruktúra RAL7016, L = 2000 mm
Redukčná lišta slúži na presné uchytenie doskových výplní so šírkou 16 mm do montážnych profilov AL-SP70-7016S-6 a AL-PM3530-7016S-6. Povrchová úprava v štruktúre RAL7016 zabezpečuje elegantný vzhľad a zvýšenú odolnosť voči poveternostným vplyvom. Dĺžka profilu je 2000 mm, čo umožňuje jednoduchú manipuláciu a flexibilitu pri montáži.

Dodatočné parametre
| Kategória: | Plotový systém |
|---|---|
| Hmotnosť: | 0.794 kg |
| Kusov v balení: | 0 Ks |
Buďte prvý, kto napíše príspevok k tejto položke.
Pridať komentár
